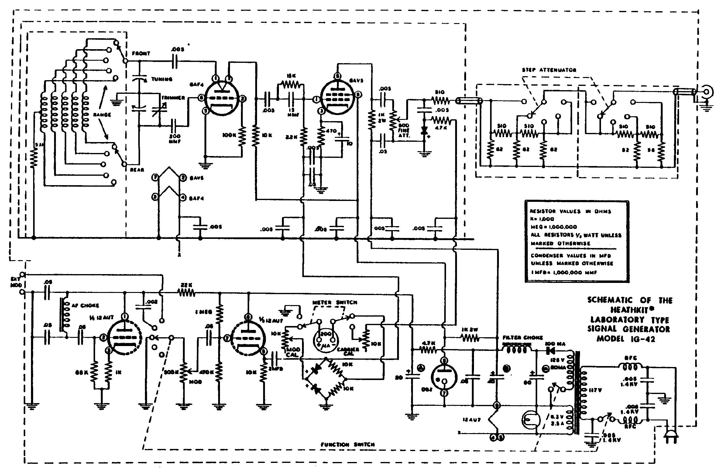
Heathkit Laboratory Generator IG-42
Well, since my last post, my house took a direct hit by lightning, I spent some time in the hospital, and my job built a new headquarters and we moved in, so I haven’t had much time to work on anything in my spare time, but I did recap and mod an old Heathkit Laboratory Generator, model IG-42.


This is the inside before I did anything.

You can see all of the old caps that needed replacing. I replaced them all with film capacitors and a few electrolytics.



Next, I replaced the selenium rectifier with a packaged full bridge rectifier. Below is the original selenium rectifier.

Here you can see the bridge rectifier. I added a bank of high wattage resistors to drop the voltage a bit.

There were a few more caps that I replaced inside the shield.

I added a fuse to the line filter and hot glued it in place temporarily.

I also decided to swap the ceramic caps on the line in to safety caps.

I slapped it all back together and tested it and it looks like its working pretty well. The waveform isn’t that great, but it will be a good addition to my bench.
