slayer exciter
I’ve been wanting to experiment with some high voltage projects like a jacob’s ladder, a tesla coil, or a maybe a plasma speaker, but at the moment, I don’t have any good power sources. I’d like to find an old neon sign transformer, but I may just settle for pulling the flyback transformer out of an old tv set.
In the mean time, I ran across a small circuit called a slayer exciter that I could build with parts I have on hand. It is basically a small oscillator with a large air coil transformer to create a high voltage on the secondary winding. A more detailed explanation (and a rather entertaining video) can be found here.
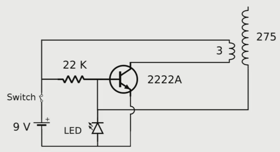
This is the schematic I used.

I wound the secondary on an old cd case spindle. It ended up right at 275 turns of 30 gauge magnet wire. The primary was about 5 turns with an inner strand of cat-5 cable.

The circuit worked pretty well. I was powering it from an adjustable power supply, but I kept blowing transistors until I limited the current to about 600mA. Here you can see that it is enough to light up a cfl bulb.
